No Drip External Mix Wide Angle Flat Fan Air Atomizing Nozzle
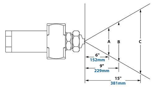
EXAIR's 1/4 FNPT no drip external mix wide angle flat fan pattern nozzles are designed to conserve valuable liquids and prevent product finishes from drips. These nozzles are ideal for applications that require a high volume of liquid coverage over a wide area, such as conveyor lines. As external mix nozzles, they allow independent control of airflow and liquid flow, providing flexibility in application.
Commonly used for tasks that require moderate liquid distribution over a broad area, these nozzles are perfect for cooling or coating wide webs. Constructed from 303 stainless steel, they offer excellent corrosion resistance and are suitable for pressure-fed applications with independent air and liquid control.







